Датчик силы при сжатии 410
Производитель:
HUBA CONTROL
*Цена по запросу
Мы принимаем заявки на поставку оборудования круглосуточно и только онлайн, через форму обратной связи или по электронной почте:
info@zipmachine.ru Связаться с менеджером для консультации вы можете по телефону: +7 (800) 302-30-80 в будние дни с 09.00 до 18.00.Описание
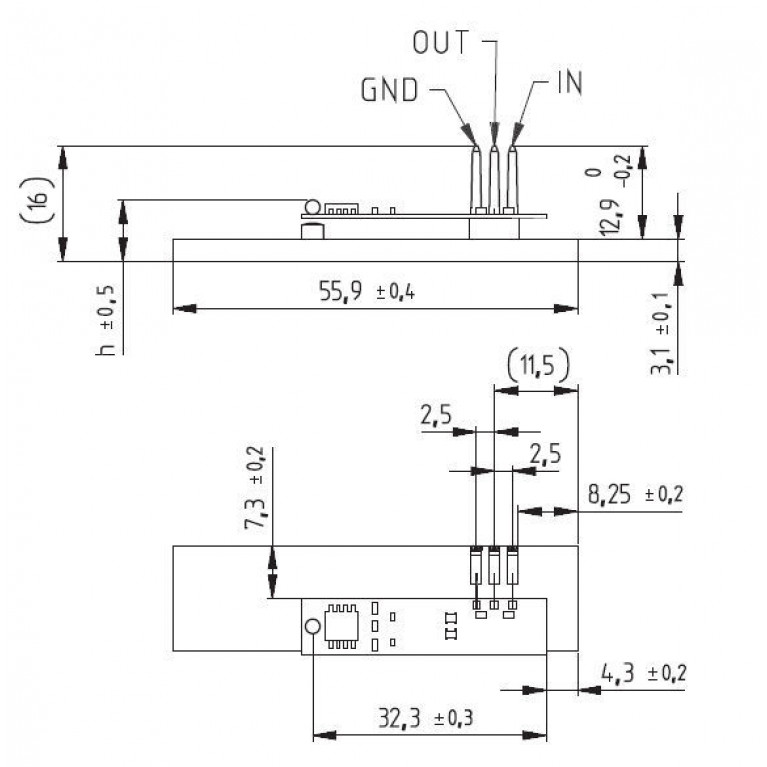
Датчик серии 410 измеряет усилие с помощью консольной балки методом пьезорезистивного моста Уитстона с предварительным усилительным контуром. В конструкции датчика применяется тонкопленочная технология, гарантирующая превосходную стабильность измерения и продолжительный срок службы. Специальная конструкция чувствительного элемента обеспечивает серийный производственный процесс с полностью автоматизированной сборкой и оптимальным соотношением производительности и стоимости при изготовлении больших партий. По запросу возможны регулярные поставки.
Компактная конструкция для широкого спектра промышленных систем
Идеально подходит для OEM-партий большого объема
Высокая стойкость к воздействию температуры
Отсутствие механической усталости
Отсутствие механической ползучести
Компактная конструкция для широкого спектра промышленных систем
Идеально подходит для OEM-партий большого объема
Высокая стойкость к воздействию температуры
Отсутствие механической усталости
Отсутствие механической ползучести
Характеристики
| Другие характеристики | компактный |
| Конструкция | балочного типа |
| Сила | МАКС.: 2,7 N МИН.: 0 N |
| Технология | пьезоэлектрический |
| Тип | при сжатии |
Вы смотрели
Артикул:
2098697
Все товары этого бренда
DOPAG - Metering, Mixing and Dispensing Technology
*Цена по запросу
Так же смотрят
