Профиль из алюминия 0.0.717.21
Производитель:
item industrial applications
*Цена по запросу
Мы принимаем заявки на поставку оборудования круглосуточно и только онлайн, через форму обратной связи или по электронной почте:
info@zipmachine.ru Связаться с менеджером для консультации вы можете по телефону: +7 (800) 302-30-80 в будние дни с 09.00 до 18.00.Описание
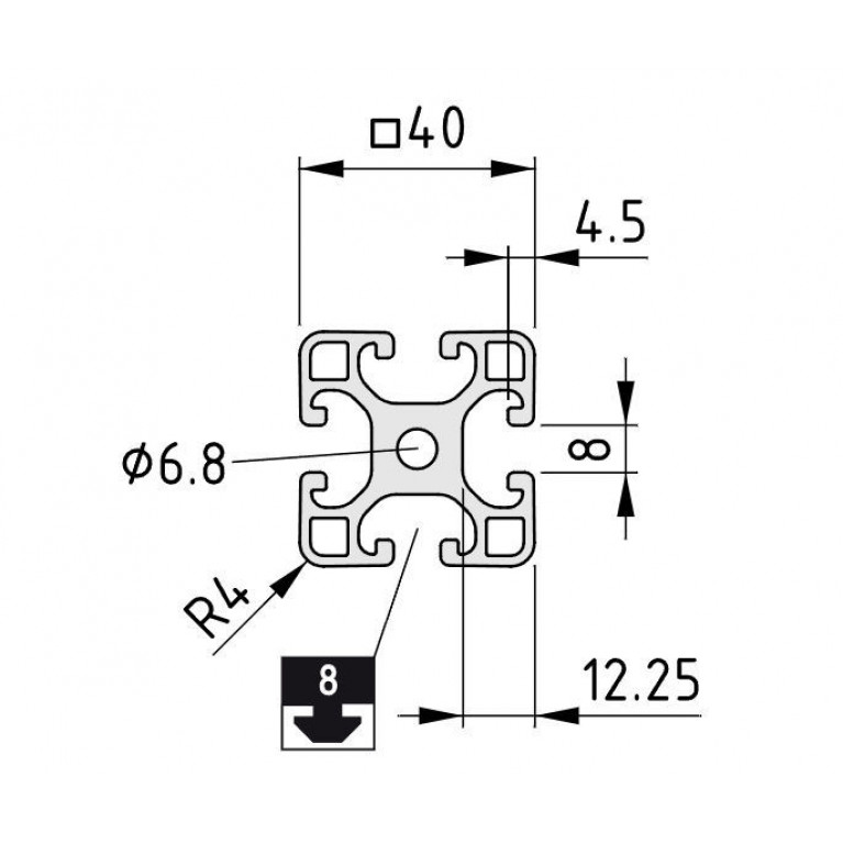
Профиль 8 40x40 светлый, не анодированный - это строительный профиль модульного размера Line 8, не имеющий защитного анодированного покрытия. Пользователи могут окрашивать этот профиль по своему усмотрению, выполняя собственный процесс анодирования.
Благодаря очень тонкому, естественно возникающему оксидному слою, этот профиль обладает лучшей электропроводностью на краевом слое по сравнению со стандартными анодированными алюминиевыми профилями.
Профили, не имеющие анодированного покрытия, легко царапаются при транспортировке, хранении и обработке. В результате на таких профилях не исключено появление царапин и задиров на поверхности. Такие следы не являются дефектом продукции.
Благодаря очень тонкому, естественно возникающему оксидному слою, этот профиль обладает лучшей электропроводностью на краевом слое по сравнению со стандартными анодированными алюминиевыми профилями.
Профили, не имеющие анодированного покрытия, легко царапаются при транспортировке, хранении и обработке. В результате на таких профилях не исключено появление царапин и задиров на поверхности. Такие следы не являются дефектом продукции.
Характеристики
| Высота | 40 mm (1,6 in) |
| Другие характеристики | легкий |
| Форма | квадратный |
| Ширина | 40 mm (1,6 in) |
| Применение | строительный |
| Материал | из алюминия |
Вы смотрели
Артикул:
2340559
Все товары этого бренда
Xi'an Huayue Machinery and Equipment Co., Ltd.
*Цена по запросу
Так же смотрят
