Фрезер твердый карбид TC630
Производитель:
Walter Tools
*Цена по запросу
Мы принимаем заявки на поставку оборудования круглосуточно и только онлайн, через форму обратной связи или по электронной почте:
info@zipmachine.ru Связаться с менеджером для консультации вы можете по телефону: +7 (800) 302-30-80 в будние дни с 09.00 до 18.00.Описание
- Высокий уровень надежности процесса для сложных операций обработки
- Технология Walter DeVibe: Надежная обработка даже в экстремальных условиях
- Универсальное применение в различных материалах
- Широкий ассортимент продукции
- Гибкие возможности зажима
- Технология Walter DeVibe: Надежная обработка даже в экстремальных условиях
- Универсальное применение в различных материалах
- Широкий ассортимент продукции
- Гибкие возможности зажима
Характеристики
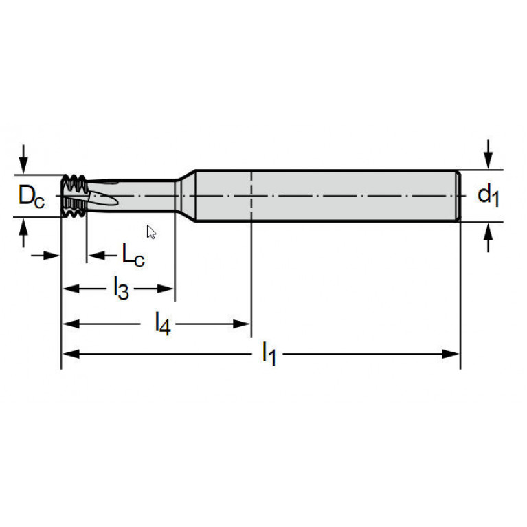
| Диаметр | МАКС.: 9,75 mm (0,38 in) МИН.: 1,2 mm (0,05 in) |
| Длина | 38 mm, 57 mm, 63 mm, 72 mm (1,5 in) |
| Конструкция | твердый карбид |
| Обрабатываемый материал | для стали, для цветных металлов, для чугуна |
| Тип | для нарезания резьбы |
Вы смотрели
Артикул:
2374856
Все товары этого бренда
Changchun Rochiev Intelligent Equipment Manufacturing Co., Ltd.
*Цена по запросу
Так же смотрят
