Ротационный привод AG03/1
Производитель:
SIKO GmbH
*Цена по запросу
Мы принимаем заявки на поставку оборудования круглосуточно и только онлайн, через форму обратной связи или по электронной почте:
info@zipmachine.ru Связаться с менеджером для консультации вы можете по телефону: +7 (800) 302-30-80 в будние дни с 09.00 до 18.00.Описание
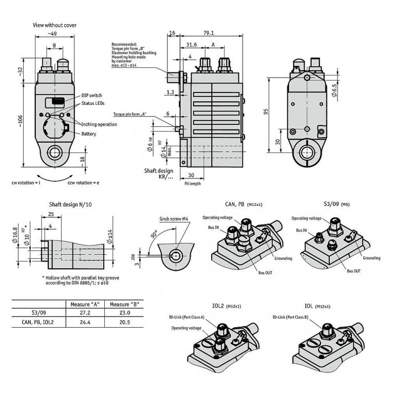
Привод AG03/1 Полевая шина
Полевая шина
Высокопроизводительный компактный привод для сложных задач позиционирования
Профиль AG03/1 Полевая шина:
Компактный, простой монтаж
Сквозные полые валы до макс. 14 мм
Бесщеточный двигатель 50 Вт, 24 В ЕС с длительным сроком службы
Встроенная силовая и управляющая электроника с инверсной полярностью и защитой от перегрузок
Встроенный датчик абсолютного положения на выходном валу
интегрированный CANopen или Profibus-DP с технологией монтажа компонентов M12
встроенный интерфейс RS458/SIKONETZ5 с технологией монтажа компонентов M8
Механические данные
Характеристика - Технические данные - Дополнительная информация
Вал - черновая сталь -
Корпус - алюминиево-цинковое литье - анодированное/порошковое покрытие
Номинальный крутящий момент/номинальная скорость - 3,2 Нм при 100 об/мин - i = 48
- 1,6 Нм при 200 об/мин - i = 24
Режим работы - S3 прерывистый режим: 25 % постоянного тока. 10 мин. - EN 60034-1
Вес - '1.2 кг -
Электрические данные - -
Характеристика - Технические данные - Дополнительная информация
Рабочее напряжение - 24 В пост. тока ±10 % - защита от обратной полярности. выходной каскад
- 24 В постоянного тока ±10 % - защита от обратной полярности. управление (только CAN. PB. S3/09. IOL. IOL2)
Входная мощность - 58 Вт - выходной каскад
Аккумулятор - CR2477N, 3 В литий. 950 мАч -
Срок службы аккумулятора - '5 лет {с) - в зависимости от условий окружающей среды
Параметр st orage - 105 цидов - применяется также к калибровочным операциям
Номинальный ток - 2,4 A ± 10% - при макс. допустимом крутящем моменте {выходной каскад)
- <100 мА - при 24 В постоянного тока (управление). Только CAN. PB. S3/09. ИОЛ. IOL2
Отображение состояния - два светодиода -
Клавиши - сенсорные клавиши - для режима настройки
Подключение к шине - CANopen. Profibus-DP. SIKONETZ5 - гальваническая развязка интерфейса
- Profibus-DP - гальваническая развязка интерфейса
- SIKONETZ5 - гальваническая развязка интерфейса
- ЛО-Линк. IOL - гальваническая развязка между рабочим напряжением, выходным каскадом и
Полевая шина
Высокопроизводительный компактный привод для сложных задач позиционирования
Профиль AG03/1 Полевая шина:
Компактный, простой монтаж
Сквозные полые валы до макс. 14 мм
Бесщеточный двигатель 50 Вт, 24 В ЕС с длительным сроком службы
Встроенная силовая и управляющая электроника с инверсной полярностью и защитой от перегрузок
Встроенный датчик абсолютного положения на выходном валу
интегрированный CANopen или Profibus-DP с технологией монтажа компонентов M12
встроенный интерфейс RS458/SIKONETZ5 с технологией монтажа компонентов M8
Механические данные
Характеристика - Технические данные - Дополнительная информация
Вал - черновая сталь -
Корпус - алюминиево-цинковое литье - анодированное/порошковое покрытие
Номинальный крутящий момент/номинальная скорость - 3,2 Нм при 100 об/мин - i = 48
- 1,6 Нм при 200 об/мин - i = 24
Режим работы - S3 прерывистый режим: 25 % постоянного тока. 10 мин. - EN 60034-1
Вес - '1.2 кг -
Электрические данные - -
Характеристика - Технические данные - Дополнительная информация
Рабочее напряжение - 24 В пост. тока ±10 % - защита от обратной полярности. выходной каскад
- 24 В постоянного тока ±10 % - защита от обратной полярности. управление (только CAN. PB. S3/09. IOL. IOL2)
Входная мощность - 58 Вт - выходной каскад
Аккумулятор - CR2477N, 3 В литий. 950 мАч -
Срок службы аккумулятора - '5 лет {с) - в зависимости от условий окружающей среды
Параметр st orage - 105 цидов - применяется также к калибровочным операциям
Номинальный ток - 2,4 A ± 10% - при макс. допустимом крутящем моменте {выходной каскад)
- <100 мА - при 24 В постоянного тока (управление). Только CAN. PB. S3/09. ИОЛ. IOL2
Отображение состояния - два светодиода -
Клавиши - сенсорные клавиши - для режима настройки
Подключение к шине - CANopen. Profibus-DP. SIKONETZ5 - гальваническая развязка интерфейса
- Profibus-DP - гальваническая развязка интерфейса
- SIKONETZ5 - гальваническая развязка интерфейса
- ЛО-Линк. IOL - гальваническая развязка между рабочим напряжением, выходным каскадом и
Характеристики
| Движение | ротационный |
| Другие характеристики | компактный, высокоэффективный, с полым валом, CANopen |
| Тип | электрический |
Вы смотрели
Артикул:
2403860
Все товары этого бренда
guangzhou risong intelligent technology holding co.,ltd
*Цена по запросу
Так же смотрят
