Многодисковый тормоз SB series
Производитель:
White Drive Products
*Цена по запросу
Мы принимаем заявки на поставку оборудования круглосуточно и только онлайн, через форму обратной связи или по электронной почте:
info@zipmachine.ru Связаться с менеджером для консультации вы можете по телефону: +7 (800) 302-30-80 в будние дни с 09.00 до 18.00.Описание
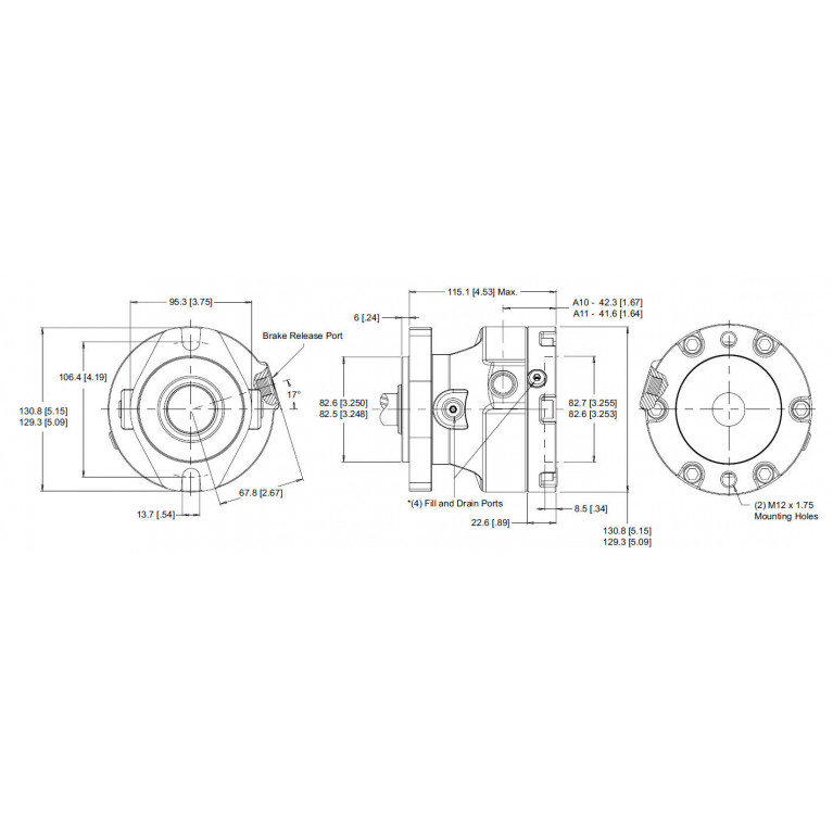
Тормоз серии SB обеспечивает главное представление в весьма компактном пакете. Не похоже на обычным тормозам предложенным сегодня, тормоз SB представлени-сопряган для того чтобы приспосабливать имеющиеся моторы держателя SAE a small-frame полного диапасона сегодня. С общим диаметром меньш чем 5.4 (137mm) SB имеют емкость удерживания свыше 5.500 lb-в (620 Nm) и легко сопрягаются к разнообразие глобальные варианты установки и вала мотора индустриального стандарта. В добавлении, серию SB можно использовать как отдельно стоящий разрешение тормоза без мотора привода входного сигнала. Этот вариант более дальнейший раскрывает гибкость конструкции встретить более широкое разнообразие потребностей применения.
Вращающие моменты удерживания: 2000 до 5000 lb-в
(225 до 620 Nm)
Максимальное давление отпуска: 3625 psi
(250 адвокатских сословий)
Полное давление отпуска: 290 до 50 psi
(20 до 31 адвокатского сословия)
Том отпуска: .51 cu. в. (8.3 cc)
Вращающие моменты удерживания: 2000 до 5000 lb-в
(225 до 620 Nm)
Максимальное давление отпуска: 3625 psi
(250 адвокатских сословий)
Полное давление отпуска: 290 до 50 psi
(20 до 31 адвокатского сословия)
Том отпуска: .51 cu. в. (8.3 cc)
Характеристики
| Момент | МАКС.: 620 Nm (457,2885 ft.lb) МИН.: 225 Nm (165,9515 ft.lb) |
| Привод | гидравлический |
| Тип | многодисковый |
Вы смотрели
Так же смотрят
