Сигнализатор уровня с вибрирующими пластинами SC series
Производитель:
FineTek Co., Ltd.
*Цена по запросу
Мы принимаем заявки на поставку оборудования круглосуточно и только онлайн, через форму обратной связи или по электронной почте:
info@zipmachine.ru Связаться с менеджером для консультации вы можете по телефону: +7 (800) 302-30-80 в будние дни с 09.00 до 18.00.Описание
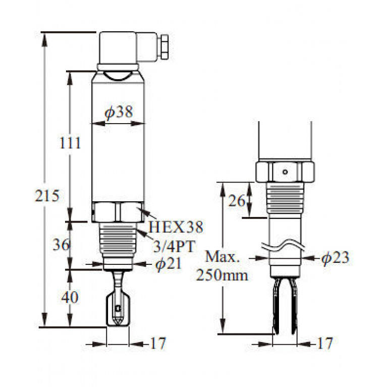
Линейка вилочных сигнализаторов уровня жидкости серии SC работает по принципу обнаружения изменения частоты вибрации вилок в результате наличия или отсутствия жидкости на вилках. Отсюда и название технологии - "вилка настройки". Вибрация вилки создается пьезоэлектрическим кристаллом, возбуждаемым электрическим сигналом от электроники. Второй пьезоэлектрический кристалл производит электрический сигнал в результате вибрации, передаваемой ему через вилки первым кристаллом. Электроника непрерывно отслеживает сигнал от второго кристалла, чтобы определить наличие или отсутствие жидкости и активировать выход переключателя уровня жидкости вилки.
。 Универсальный источник питания 20-250 В переменного/постоянного тока
。 Твердотельный или релейный выход
。 Компактные или стандартные устройства
。 Не требуется калибровка
。 Имеются взрывозащищенные устройства
。 Мини-, стандартные и удлиненные версии датчиков
ИСПОЛЬЗОВАТЬ
。 Индикация высокого, низкого и промежуточного уровня в резервуарах
。 Контроль наполнения/опустошения резервуара
。 Вход датчика уровня для ПЛК/ПЛК/ПСУ
。 Определение уровня в пластиковых или металлических резервуарах
。 Компактные и небольшие резервуары и окрестности
ИНДУСТРИЯ
。 Вода
。 Растворители
。 Химическая
пищевые продукты и напитки
。 Многие другие
。 Универсальный источник питания 20-250 В переменного/постоянного тока
。 Твердотельный или релейный выход
。 Компактные или стандартные устройства
。 Не требуется калибровка
。 Имеются взрывозащищенные устройства
。 Мини-, стандартные и удлиненные версии датчиков
ИСПОЛЬЗОВАТЬ
。 Индикация высокого, низкого и промежуточного уровня в резервуарах
。 Контроль наполнения/опустошения резервуара
。 Вход датчика уровня для ПЛК/ПЛК/ПСУ
。 Определение уровня в пластиковых или металлических резервуарах
。 Компактные и небольшие резервуары и окрестности
ИНДУСТРИЯ
。 Вода
。 Растворители
。 Химическая
пищевые продукты и напитки
。 Многие другие
Характеристики
| Давление процесса | 25 bar, 40 bar (362,59 psi) |
| Другие характеристики | компактный, IP65, IP67, взрывозащищенный |
| Материалы | из пластика |
| Среда | для жидкостей, для твердых тел |
| Температура процесса | МАКС.: 150 °C (302 °F) МИН.: -40 °C (-40 °F) |
| Применение | для резервуара, для химических продуктов |
Вы смотрели
Так же смотрят
