Дифференциальный манометр 9030
Производитель:
RIEGLER & Co.KG
*Цена по запросу
Мы принимаем заявки на поставку оборудования круглосуточно и только онлайн, через форму обратной связи или по электронной почте:
info@zipmachine.ru Связаться с менеджером для консультации вы можете по телефону: +7 (800) 302-30-80 в будние дни с 09.00 до 18.00.Описание
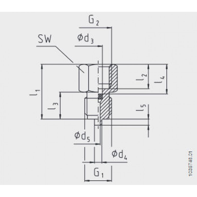
Манометрический встраиваемый фильтр, G 1/4 IT, G 1/4 ET, 200 мкм, нержавеющая сталь 1.4571, макс. 100 бар, темп. -25 °C - 200 °C
Рядные фильтры для манометров устанавливаются на манометры в чувствительных к загрязнению контурах гидравлических / пневматических систем для отфильтровывания твердых частиц из газообразных и жидких сред (задержка плавающего тела). Их использование предотвращает засорение небольших каналов впуска давления и капиллярных дросселей. Кроме того, частицы не застревают в чувствительных к загрязнениям камерах среды, что позволяет избежать появления затора. Предварительные фильтры действуют как дроссели и демпферы при ударах и скачках давления.
Рядные фильтры для манометров устанавливаются на манометры в чувствительных к загрязнению контурах гидравлических / пневматических систем для отфильтровывания твердых частиц из газообразных и жидких сред (задержка плавающего тела). Их использование предотвращает засорение небольших каналов впуска давления и капиллярных дросселей. Кроме того, частицы не застревают в чувствительных к загрязнениям камерах среды, что позволяет избежать появления затора. Предварительные фильтры действуют как дроссели и демпферы при ударах и скачках давления.
Характеристики
| Давление | 100 bar (1 450,38 psi) |
| Другие характеристики | линейный |
| Индикатор | аналоговый |
| Сборка | резьбовой |
| Температура процесса | МАКС.: 200 °C (392 °F) МИН.: -25 °C (-13 °F) |
| Технологическое соединение | G 1/4 |
| Тип давления | дифференциальный |
| Материал | из нержавеющей стали |
Вы смотрели
Артикул:
2545483
Все товары этого бренда
CHONGQING PULSE ROBOT CONTROL SYSTEM CO., LTD.
*Цена по запросу
Так же смотрят
