Абсолютный манометр SOLFRUNT 1931
Производитель:
U.S. GAUGE
*Цена по запросу
Мы принимаем заявки на поставку оборудования круглосуточно и только онлайн, через форму обратной связи или по электронной почте:
info@zipmachine.ru Связаться с менеджером для консультации вы можете по телефону: +7 (800) 302-30-80 в будние дни с 09.00 до 18.00.Описание
Обратите внимание, вы можете указать и заказать манометр в нашем интернет-магазине https://store.ametekstc.com/categories/pressure-measurement/pressure-gauges/process-gauges.html
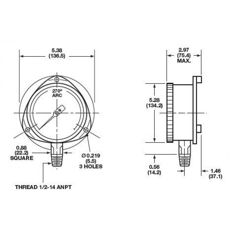
Технологический манометр SOLFRUNT 1931 выпускается в размерах 4 ½" или 6", с алюминиевым корпусом с задней фланцевой крышкой для применения в условиях, требующих монтажа на штоке или стене. Алюминиевый корпус обладает превосходной безопасностью и химической стойкостью для жестких условий эксплуатации. Эти модели доступны с нержавеющей стали 316L SST, включая бесшовную трубку Бурдона, в диапазонах давления от вакуумного до 6000 фунтов на кв. дюйм.
Манометр 4 ½" может быть сухим или заполненным жидкостью с глицерином, силиконом, минеральным маслом или фторсмазкой.
Запросите дополнительную информацию, чтобы узнать, как мы можем помочь вам подобрать манометр, соответствующий вашим потребностям.
Смачиваемые детали: нержавеющая сталь 316
Диапазоны: Вакуум - от 30 до 0 рт. ст. переменного тока (вращение против часовой стрелки)
Компаунд - от 30 рт. ст. до 100 фунтов на кв. дюйм
Защита от погодных условий: - NEMA 4X / IP66
ДВИЖЕНИЕ: Редукторный механизм с компонентами из коррозионностойкой нержавеющей стали серии 300. Механизм может быть снят для осмотра и очистки без нарушения регулировки диапазона и формы шкалы
Циферблат: Алюминий с белым фоном и черными меткамиПИНТЕР: Анодированный алюминий, микрорегулируемый с черной отделкой (опционально доступна ленивая стрелка, артикул 156147, только для сухих манометров)Корпус и кольцо: Для штока или настенного монтажа: Литой алюминиевый корпус с задним фланцем с байонетным кольцом, черной отделкой и задней крышкой из нержавеющей стали (доступен комплект для заполнения жидкостью)
ПОДКЛЮЧЕНИЕ: Латунь или нержавеющая сталь 316L, стандартный 1/2-14 ANPT (1/4-18 ANPT опционально)ЗАЩИТА ОТ ПОГОДЫ: NEMA 4X/IP66 для модели 1931 с корпусом для заполнения жидкостью
Технологический манометр SOLFRUNT 1931 выпускается в размерах 4 ½" или 6", с алюминиевым корпусом с задней фланцевой крышкой для применения в условиях, требующих монтажа на штоке или стене. Алюминиевый корпус обладает превосходной безопасностью и химической стойкостью для жестких условий эксплуатации. Эти модели доступны с нержавеющей стали 316L SST, включая бесшовную трубку Бурдона, в диапазонах давления от вакуумного до 6000 фунтов на кв. дюйм.
Манометр 4 ½" может быть сухим или заполненным жидкостью с глицерином, силиконом, минеральным маслом или фторсмазкой.
Запросите дополнительную информацию, чтобы узнать, как мы можем помочь вам подобрать манометр, соответствующий вашим потребностям.
Смачиваемые детали: нержавеющая сталь 316
Диапазоны: Вакуум - от 30 до 0 рт. ст. переменного тока (вращение против часовой стрелки)
Компаунд - от 30 рт. ст. до 100 фунтов на кв. дюйм
Защита от погодных условий: - NEMA 4X / IP66
ДВИЖЕНИЕ: Редукторный механизм с компонентами из коррозионностойкой нержавеющей стали серии 300. Механизм может быть снят для осмотра и очистки без нарушения регулировки диапазона и формы шкалы
Циферблат: Алюминий с белым фоном и черными меткамиПИНТЕР: Анодированный алюминий, микрорегулируемый с черной отделкой (опционально доступна ленивая стрелка, артикул 156147, только для сухих манометров)Корпус и кольцо: Для штока или настенного монтажа: Литой алюминиевый корпус с задним фланцем с байонетным кольцом, черной отделкой и задней крышкой из нержавеющей стали (доступен комплект для заполнения жидкостью)
ПОДКЛЮЧЕНИЕ: Латунь или нержавеющая сталь 316L, стандартный 1/2-14 ANPT (1/4-18 ANPT опционально)ЗАЩИТА ОТ ПОГОДЫ: NEMA 4X/IP66 для модели 1931 с корпусом для заполнения жидкостью
Характеристики
| Давление | МАКС.: 6 000 psi МИН.: 0 psi |
| Диаметр циферблата | 4,5 in |
| Индикатор | аналоговый |
| Сборка | резьбовой |
| Технология | с жидкостной трубкой Бурдона |
| Тип давления | абсолютный |
| Точность | 0,5 % |
| Уровень защиты | химически стойкий, IP66, для суровых природных условий |
| Применение | для процесса, для вакуума |
| Материал | из нержавеющей стали, из латуни, из алюминия |
Вы смотрели
Артикул:
2282783
Все товары этого бренда
Nano Pharm Tech Machinery equipment CO,LTD
*Цена по запросу
Так же смотрят
