Инкрементальный линейный энкодер ID4501L
Производитель:
POSIC
*Цена по запросу
Мы принимаем заявки на поставку оборудования круглосуточно и только онлайн, через форму обратной связи или по электронной почте:
info@zipmachine.ru Связаться с менеджером для консультации вы можете по телефону: +7 (800) 302-30-80 в будние дни с 09.00 до 18.00.Описание
Особенности:
- Высокая миниатюрность: 5 x 6 x 0,8 мм
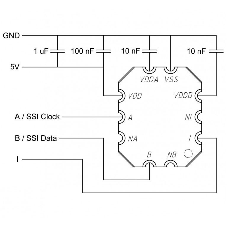
- Выходы A quad B
- Устойчив к воздействию масляной смазки, жидкостей, пыли, частиц
- Программируемое разрешение и максимальная скорость
- Опционально с держателем, кабелем и разъемом
Комплект инкрементального энкодера ID4501L состоит из энкодера и линейной шкалы. Энкодер представляет собой интегральную схему в корпусе печатной платы. Он обеспечивает инкрементные выходные сигналы A и B в квадратурах. Линейная шкала представляет собой печатную плату с пассивными медными полосками.
Разрешение и максимальная скорость энкодера программируются пользователем или могут быть запрограммированы на заводе.
- Высокая миниатюрность: 5 x 6 x 0,8 мм
- Выходы A quad B
- Устойчив к воздействию масляной смазки, жидкостей, пыли, частиц
- Программируемое разрешение и максимальная скорость
- Опционально с держателем, кабелем и разъемом
Комплект инкрементального энкодера ID4501L состоит из энкодера и линейной шкалы. Энкодер представляет собой интегральную схему в корпусе печатной платы. Он обеспечивает инкрементные выходные сигналы A и B в квадратурах. Линейная шкала представляет собой печатную плату с пассивными медными полосками.
Разрешение и максимальная скорость энкодера программируются пользователем или могут быть запрограммированы на заводе.
Характеристики
| Выходной сигнал | цифровой |
| Длина | 200 mm (7,874 in) МАКС.: 550 mm (21,654 in) МИН.: 1 mm (0,039 in) |
| Другие характеристики | поверхностный монтаж, программируемый, миниатюрный, высокое разрешение, высокая скорость, компактный, высокой точности |
| Механическая характеристика | бесконтактный, открытый |
| Разрешение | 1,25 µm МАКС.: 150 µm (0,01 in) МИН.: 0,02 µm |
| Технология | индуктивный |
| Тип | инкрементальный |
| Уровень защиты | ударопрочный, ультрапрочный |
| Применение | для сложных природных условий |
Вы смотрели
Артикул:
2156329
Все товары этого бренда
Handanshi Kangmai Hydraulic Equipment Co. Ltd.
*Цена по запросу
Артикул:
2382396
Все товары этого бренда
Shenzhen ZhaoWei Machinery & Electronics Co., Lt
*Цена по запросу
Так же смотрят
