Воздушный насос VC 0201B
Производитель:
Nitto Kohki Europe
*Цена по запросу
Мы принимаем заявки на поставку оборудования круглосуточно и только онлайн, через форму обратной связи или по электронной почте:
info@zipmachine.ru Связаться с менеджером для консультации вы можете по телефону: +7 (800) 302-30-80 в будние дни с 09.00 до 18.00.Описание
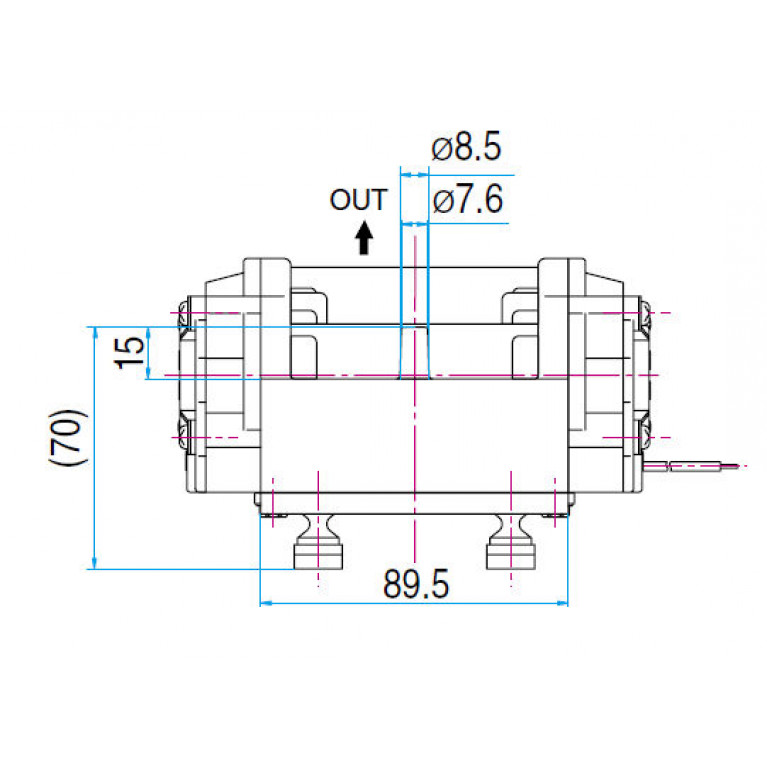
VC 0201B собрало Nitto, насос AC двойной который отличает достижимым вакуумом -187 mbar. Этот прибор приведен в действие 230 v или 120 v расклассифицированного напряжения тока с 20 Л/МИН расклассифицированного воздушного потока. В добавлении, он работает с предельный давлением 0.18 адвокатских сословий и расклассифицированным давлением 0.1 адвокатских сословий.
Он также предлагает потребителям непрерывный тип круга обязаностей и ожидано, что имеет продолжительность жизни H. 10.000.
Он также предлагает потребителям непрерывный тип круга обязаностей и ожидано, что имеет продолжительность жизни H. 10.000.
Характеристики
| Давление | МАКС.: 0,18 bar (2,611 psi) МИН.: -0,187 bar (-2,712 psi) |
| Другие характеристики | компактный, высокоэффективный, с низким уровнем шума, переносной, малогабаритный, линейный |
| Мощность | 21 W (0,03 hp) |
| Привод | электрический |
| Проводимые вещества | воздушный |
| Расход | 20 l/min (5,28344 us gal/min) |
| Сферы применения | промышленный, для химической промышленности, для пищевой промышленности, для лаборатории, для использования в медицине |
| Технология | мембранный |
Вы смотрели
Артикул:
2002090
Все товары этого бренда
Shanghai Zhaohui Pressure Apparatus Co.,Ltd.(ZHYQ)
*Цена по запросу
Так же смотрят
